一品qm楼凤论坛,全国龙凤茶楼论坛,凤凰楼信息免费茶楼,老九品茶楼凤楼论坛官网17c

多媒体

移动通信

  移动通信,你了解吗
  穷移动通信之理
  我国移动通信网
  手机之魅
  潮流挡不住

计算机网络

智能网

光通信

微波通信

卫星通信

交换网

接入网

电信管理网

 

 

  
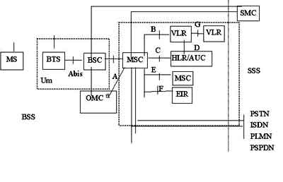
  电信博物馆 > 移动通信 > 穷移动通信之理 > 移动通信系统大看台

 

全球通系统的简介

 

关闭窗口